OrgPad logo

Vysvětlující modely v lékařské výuce

Created by Jiří Kofránek

Vysvětlující modely v lékařské výuce

Vysvětlující modely (explanatory models) v lékařské výuce

TRYCHTYR-755x340

Jiří Kofránek

1. lékařská fakulta UK & Creative Connections s.r.o.

Pochopení souvislostí

image

Pochopení kauzálních řetězců

Příklad kauzálního diagramu

image

Příklad kauzálního diagramu

image

Příklad kauzálního diagramu

image

Přiklad kauzálního diagramu

image

Diagramy jsou statické

Řešení - využití modelů

image

Modely lidské fyziologie v lékařských simulátorech

Snag 108efa77

Modelem řízený lékařský simulátor s figuránou pacienta

Historický kontext: University of Mississippi 1972

image

Přelomový článek Guytona a Colemana

image

Tématem byl popis regulace cirkulace

image

Přílohou k článku bylo rozsáhlé schema

image

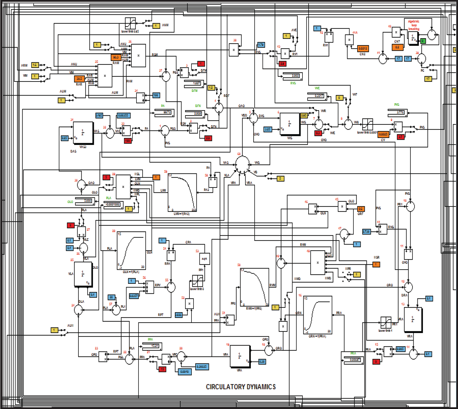
Grafické schéma propojených počítacích prvků

image

Propojení prvků vyjadřovalo soustavu rovnic

image

Schéma vyjadřovalo propojení fyziologických subsystémů

image

Uplatnění modelu ve výuce studentů medicíny

image

Grafické schema byl jen ilustrativní obrázek. Model byl implementován v jazyce Fortran.

90-tá léta: Matlab/Simulink

image

Grafické počítací prvky propojované pomocí myši. Už to není jen obrázek, ale skutečná síť, která počítá.

image

Naše implementace Guytonova modelu v Simulinku. Grafické schema není jen obrázek, ale skutečně počítá.

image

Naše implementace Guytonova modelu v Simulinku

Počátek tisíciletí: Na rovnicích založený jazyk Modelica

image

Jádro Guytonova modelu v Simulinku. Struktura modelu vyjadřuje algoritmus výpočtu.

image

Jádro Guytonova modelu v Modelice. V pozadí ikonek jsou rovnice. Struktura modelu vyjadřuje strukturu modelovaného systému

Model HumMod - University of Mississippi

image

Naše dlouholetá spolupráce s University of Mississippi

image

HumMod obsahuje více než 10 000 proměnných

Naše implementace HumModu v Modelice

image

Tom Coleman, tvůrce HumModu, v Praze u hrobu stvořitele Golema

image

Srovnání počtu rovnic

image

Hummod v Modelice má hierarchickou strukturu

image

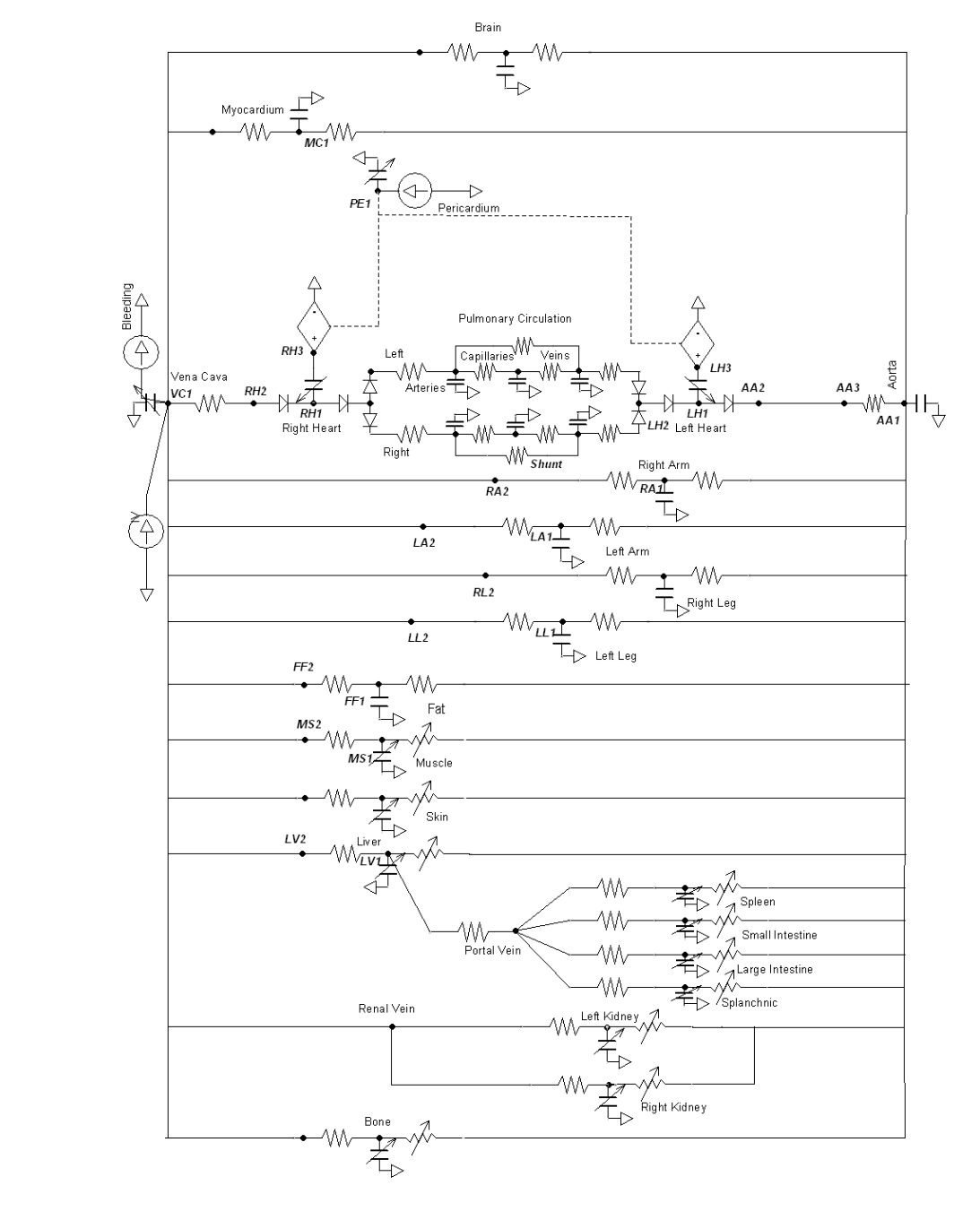
Subsystém cirkulace

image

Subsystém systémové cirkulace

image

Subsystémy periferní systémové cirkulace

image

Subsystém splanchnické a jaterní cirkulace

image

Regulace odporu splanchnické cirkulace

Velké modely ve výuce?

image

image

image

Pochopit jak to pracuje

image

Pochopení souvislostí propojených fyziologických subsytémů

image

Simulační hry pro pochopení souvislostí

image

Princip "ceteris paribus" - pro jednotlivý fyziologický subsystém

image

Simulační hry pro pochopení souvislostí

Vysvětlující modely pro lékařskou výuku: firemní nebo otevřený (open-source) vývoj?

Firemní vývoj

Komerční simulátor Harvi

image

https://harvi.online/site/welcome/

harvi.online

Komerční simulátor HumModu: Just Physiology

image

https://justphysiology.com/

justphysiology.com

Uzavřený firemní vývoj modelů, velké náklady (cca 80%) na marketting

Otevřená vývojářská komunita (open source), důležitost spolupráce akademického a firemního prostředí

Zpětná vazba od uživatelů

Univerzity jsou i zásobárnou tvůrců

CircAdapt (Maastricht University)

image

CircAdapt.org

image

https://www.circadapt.org/

CircAdapt - Model

Simulátorimage

CircAdapt- Simulátor a vývojové prostředí

image

Biosoukolí - Biogears

image

Konsorcium Biogears

image

https://www.biogearsengine.com/

6 univerzit, 1 univerzitní nemocnice a 9 firem

Modely v Biogears

image

Vývojové nástroje v Biogears: C,C++, Javascript, HTML, TeX

image

Simulátory v Biogears

image

Budování komunity uživatelů i tvůrců

Budování komunity kolem CircAdapt

image

Budování komunity kolem Biogears

image

Důležité jsou nástroje pro učitele

Nástroje pro učitele v CircAdapt

Nástroje pro učitele v Biogears

biogears5

Nástroje pro učitele v Biogears

biogears 2

Náš přínos: vyřešení problému jak dostat složitý matematický model do webového prohlížeče

Technologie Bodylight

Snímek1

Podpora týmové spolupráce

Snímek2

Založená na standardech - vytváří a propojuje standadizované webové komponenty

Snímek3

Vygeneruje webovou aplikaci spustitelnou v internetovém prohlížeči

Grafická loutka animovaná modelem na pozadí

simulator1

Komunikace s modelem na webovém pozadí

simulator2

QR kód v učebnici odkáže na interaktivní simulační aplikaci

42b47a6d-9b71-4dee-85c2-c392c7b989db

Laboratoř biokybernetiky & Creative Connections

https://www.physiome.cz/apps/Nephron/

https://www.physiome.cz/apps/pvloops/

Projekt eGolem.online

https://egolem.online/demo/#hemo2.md

https://egolem.online/hemodynamics/#index.cs.md

https://egolem.online/ironmetabolism/#iron1intake.md

https://egolem.online/irm/

Nový druh elektronických učebnic

image

image

Schola ludus pro 21. století

image

Kontakt

image

Příklad webové simulace levé komory